Sign In | Join Free | My burrillandco.com
Home > Other Electrical Equipment >

IGBT Power Module 6DI20MS-050A POWER TRANSISTOR MODULE FUJITSU IGBT Power Module

    Buy cheap IGBT Power Module 6DI20MS-050A POWER TRANSISTOR MODULE FUJITSU IGBT Power Module from wholesalers
     
    Buy cheap IGBT Power Module 6DI20MS-050A POWER TRANSISTOR MODULE FUJITSU IGBT Power Module from wholesalers
    • Buy cheap IGBT Power Module 6DI20MS-050A POWER TRANSISTOR MODULE FUJITSU IGBT Power Module from wholesalers

    IGBT Power Module 6DI20MS-050A POWER TRANSISTOR MODULE FUJITSU IGBT Power Module

    Ask Lasest Price
    Brand Name : FUJITSU
    Certification : RoHS Compliant
    Model Number : 6DI20MS-050A
    Price : Pls Contact sales team
    Delivery Time : 1 day
    Payment Terms : T/T , Paypal, Western Union ,Escrow etc.
    Supply Ability : 2995
    • Product Details
    • Company Profile

    IGBT Power Module 6DI20MS-050A POWER TRANSISTOR MODULE FUJITSU IGBT Power Module


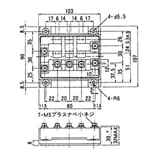
    6DI20MS-050A is a POWER TRANSISTOR MODULE.


    Part NO:

    6DI20MS-050A

    Brand:

    FUJITSU

    Mounting Type:

    Screws

    Date Code:

    04+

    Quality Warranty:

    3 Months


    Overview

    We specialize in high power and power conversion modules of famous brands

    Categories include: Darlington Schottky, rectifier intelligent, IGBT, IPM, GTR, DC-DC, AC-DC rectifier and power supply and other modules.

    Applications: power conditioning, frequency conversion equipment, motor speed, ship naval, aerospace, terminal handling, airport facilities, mining and drilling, welding and other high-tech areas of network communications and heavy machinery. They can play an effect of high-frequency power conversion, digital control, fully resonant frequency soft switching, synchronous rectification, intelligent control, electromagnetic compatibility, power factor correction, power protection and control, Parallel flow control, pulse width modulation .

    Please pay attention to the following when your are purchasing

    1 Module can be directly mounted on a power supply device of printed circuit board, which is characterized by supplying power to specific integrated circuit (ASIC), a digital signal processor (DSP), a microprocessor, a memory, a field programmable gate array (FPGA ) and other digital or analog load.

    2 We will offer pictures to our customers first and arrange shipment immediately after they make a confirmation. To protect your interest, please make sure to carefully review the pictures to ensure that model, suffix, packaging, appearance, etc. can meet your requirements before our sales team effect shipment. We don’t accept any return of goods due to the above reasons of uncertainty.

    3 We have the most direct supply channels with manufacturers, supplier agents working closely so as to reduce product circulation. We are strict with quality, inspection and testing as they our essential work. At the same time,we also provide thoughtful, multi-faceted and comprehensive after-sales service.


    Quality IGBT Power Module 6DI20MS-050A POWER TRANSISTOR MODULE FUJITSU IGBT Power Module for sale
    • Haven't found right suppliers
    • Our buyer assistants can help you find the most suitable, 100% reliable suppliers from China.
    • And this service is free of charge.
    • we have buyer assistants who speak English, French, Spanish......and we are ready to help you anytime!
    Submit Buying Request
    Send your message to this supplier
    *From:
    Your email address is incorrect!
    *Subject:
    Your subject must be between 10-255 characters!
    *Message:
    For the best results, we recommend including the following details:
    • --Self introduction
    • --Required specifications
    • --Inquire about price/MOQ
    Your message must be between 20-3,000
    Yes! I would like your verified suppliers matching service!
    Send your message to this supplier
     
    *From:
    *To: Mega Source Elec.Limited
    *Subject:
    *Message:
    Characters Remaining: (0/3000)
     
    Explore more IGBT Power Module products from this supplier
    Find Similar Products By Category:
    Inquiry Cart 0