| Sign In | Join Free | My burrillandco.com |
|
| Ask Lasest Price | |
| Brand Name : | UCHI |
| Certification : | UL |
| Model Number : | RTP300 |
| Price : | Negotiable |
| Delivery Time : | 4-6 days |
| Payment Terms : | T/T,Paypal,Western Union,Money gram |
| Supply Ability : | 100,000,000PCS/Month |
4 X 15mm UL 249-14 3A 350V Glass Fuses For Ballasts , Time-Lag Glass Fuse RoHS
Quick Detail:
Description:
RTP Series 3A 350V time-lag(slow blow) fuses are available in cartridge form or with axial leads. This series provides the same performance characteristics as its 3AG counterpart, while occupying one-third the space.
Applications:
Electronics Lighting Ballasts
Specifications:
1. Applicable Scope
number | volltage | current | approval number |
1 | 250V | 1A~3.15A | CQC11012061981 |
2 | 250V | 500mA ~5A | CQC11012058774 |
CQC11012061982 | |||
3 | 250V | 1A ~3.15A | 40034581 |
4 | 250V | 500mA ~5A | 40032053 |
5 | 350V | 100mA ~10A | E340427 |

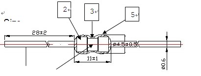
numbers | Parts name | materials |
1 | Lead wire | Copper Plating Tin |
2 | End cap | Copper nickel plating |
3 | ceramic tube | ceramic |
4 | Element | Alloy wire |
⑤ | Hot shrinkage | Hot shrinkagetube |
Explain Lead wire: Lead only plays both ends an electrode and the role of the electrical properties of product can't afford function decomposition Ceramic tube:To plays fixed and support End cap: With 58% ~ 62% of brass for base, and nickel plating to prevent oxidation Fuse elements: The key parts of the decided to fuse current specifications 1. Marking The products lable in two end cap ,cap A and cap B, for the following schedule For example Cap A: Rated current+Rated volltage (100mA~10A) A Cap B:Type+manufacture’s logo+ Approved Symbol(optional) cURus 350V The size of the words not defined,and must be very easy to read. There shall not be any remarkable stain, rust or crack on the appearances. 2. Part of Testing 5.1 Mechanical characteristics A. Tensile Test When fuse is fixed and the tensile force 5N is applied in direction to lend.After the test, there shall be no remarkable damage to the fuses. B. Thrust Test When fuse is fixed and the thrust 2N is applied in direction to lend.After the test, there shall be no remarkable damage to the fuses C.Bending Test Test Condition: Force 5N is applied; number of bends shall be one.After the test, there shall be no remarkable damage to the fuses. 2.2 Electrical characteristics All tests are in the environment temperature 25 ± 5 ℃; Relative humidity45%~75% 5.2.1 Over load test When the current in the following table is passing the fuse, its opening time must be in accordance with the requirements in the following table, that is, the pre-arcing time. Moreover, neither damage of the fuse-tube nor shattering of the cap shall occur. 5.2.2 Breaking capacity test Rated breaking capacity:And after this test, there should be no damage of the fuse-tube or shattering of the caps. After this test, the insulation resistance between the end caps shall be not less than 0.1MΩ. 350V:Rated AC 100A 5.2.3 Temperature rising At 100% times of rating electric current passes the fuse ,After reaching thermal balance, the temperature on the fuse surface rising is not higher than 75℃. |
Testing current | Blowing time |
100% | 4 hours Min |
200% | 60 sec Max |
1000% | 10ms Min |
I-T Curve

I2T:Melting integral
Current | I2T | Current | I2T |
100mA | 0.002 | 1.25A | 1.3 |
125mA | 0.003 | 1.5A | 1.6 |
160mA | 0.005 | 1.6A | 2.5 |
200mA | 0.01 | 2A | 5.8 |
250mA | 0.02 | 2.5A | 7.6 |
300mA | 0.04 | 3A | 8.1 |
315mA | 0.045 | 3.15A | 11 |
350mA | 0.055 | 3.5A | 19 |
400mA | 0.07 | 4A | 28 |
500mA | 0.1 | 5A | 40 |
630mA | 0.2 | 6A | 50 |
750mA | 0.35 | 6.3A | 64 |
800mA | 0.45 | 8A | 133 |
1A | 0.9 | 10A | 242 |
PACKING(reference, According to the requirement of packaging)
bulk 500 fuses per plastic- bag, 4 plastic- bags per inner box, 10 inner boxs per outer box.
In fact can be based on the customer orders requirements
Competitive Advantage:
1. Factory supply directly
2. Completed certificates such as UL,VDE,TUV,etc and high quality available
3. Quick delivery
4. Best after-sales services
OEM & ODM available
Certificates

|
| Company Info. |
| Guangdong Uchi Electronics Co.,Ltd |
| Verified Supplier |
| View Contact Details |
| Product List |