| Sign In | Join Free | My burrillandco.com |
|
| Ask Lasest Price | |
| Brand Name : | Bussmann / Eaton |
| Model Number : | 170M3394 |
| Price : | Email us for details |
| Payment Terms : | Paypal,TT,Western Union |
| Supply Ability : | 100PCS |
| Delivery Time : | 1day |

170M3394 Specialty Fuses 200A 1250V 1*BKN/75 AR CU
| Eaton | |
| Product Category: | Specialty Fuses |
| RoHS: | Details |
| 170M Type KN | |
| Specialty Fuses | |
| Square Body Blade Fuses | |
| 200 A | |
| 690 VAC | |
| Stud | |
| Bolt Down | |
| Bulk | |
| Brand: | Bussmann / Eaton |
| Product Type: | High Speed Square Body Fuse |
| Subcategory: | Fuses |
| Type: | High Speed Fuse |
| Unit Weight: | 3.231997 oz |
This curve gives the peak arc voltage, UL, which may appear across the fuse during its operation as
a function of the applied working voltage, Eg, (rms) at a power factor of 15%.
Power Losses
Watts loss at rated current is given in the electrical characteristics. The curve allows the calculation of the
power losses at load currents lower than the rated current. The correction factor, Kp, is given as a
function of the RMS load current, Ib, in % of the rated current.
Features and Benefits
• Excellent dc performance
• Low arc voltage and low energy let-through (I2 t)
• Low watts loss
• Superior cycling capability
Typical Applications
• DC common bus
• DC drives
• Power converters/rectifiers
• Reduced voltage starters
Description
Square body flush end contact high speed fuses.
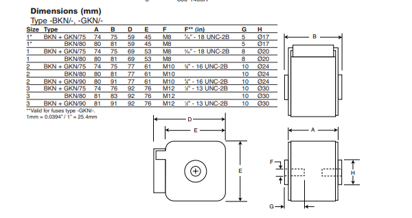
Dimensions
See dimensions illustrations.
Ratings:
Volts: — 1250Vac (IEC)
— 1300Vac (UL)
Amps: — 50-1400A
IR: — 100kA RMS Sym.
Agency Information:
CE, Designed and tested to IEC 60269: Part 4, UL Recognized. Consult Cooper
Bussmann for UL Recognition/CSA Component Acceptance status.
Total Clearing I2 t
The total clearing I2 t at rated voltage and at power factor of 15% are given in the electrical characteristics.
For other voltages, the clearing I 2 t is found by multiplying by correction factor, K, given as a function of
applied working voltage, Eg, (rms).


This curve gives the peak arc voltage, UL, which may appear across the fuse during its operation as
a function of the applied working voltage, Eg, (rms) at a power factor of 15%.
Power Losses
Watts loss at rated current is given in the electrical characteristics. The curve allows the calculation of the
power losses at load currents lower than the rated current. The correction factor, Kp, is given as a
function of the RMS load current, Ib, in % of the rated current.
Features and Benefits
• Excellent dc performance
• Low arc voltage and low energy let-through (I2 t)
• Low watts loss
• Superior cycling capability
Typical Applications
• DC common bus
• DC drives
• Power converters/rectifiers
• Reduced voltage starters
Description
Square body flush end contact high speed fuses.
Dimensions
See dimensions illustrations.
Ratings:
Volts: — 1250Vac (IEC)
— 1300Vac (UL)
Amps: — 50-1400A
IR: — 100kA RMS Sym.
Agency Information:
CE, Designed and tested to IEC 60269: Part 4, UL Recognized. Consult Cooper
Bussmann for UL Recognition/CSA Component Acceptance status.
Total Clearing I2 t
The total clearing I2 t at rated voltage and at power factor of 15% are given in the electrical characteristics.
For other voltages, the clearing I 2 t is found by multiplying by correction factor, K, given as a function of
applied working voltage, Eg, (rms).



|
| Company Info. |
| Wisdtech Technology Co.,Limited |
| Verified Supplier |
| View Contact Details |
| Product List |