| Sign In | Join Free | My burrillandco.com |
|
| Ask Lasest Price | |
| Brand Name : | terex |
| Model Number : | TEREX 15252682 |
| Certification : | ISO9001:2008 |
| Payment Terms : | T/T, L/C, Western Union, D/P, D/A |
| Supply Ability : | 50pcs/week |
| Delivery Time : | 5 days |
TEREX 15252682 PTO ASSEMBLY for terex tr45 truck parts

Terre Kosen Mine Equipment Co., Ltd specializes in supplying TEREX truck parts,marketing global.offering the highest quality parts with competitive price.
Established in 2009, We have been manufacturing/exporting high-quality parts at low costs to companies world-wide,Following strict I.S.O guidelines and control quality process.
Large amount parts are in stock make the parts lead-time shorter.Rich export experience make you import parts easier and faster.
Terex earthmoving equipment parts

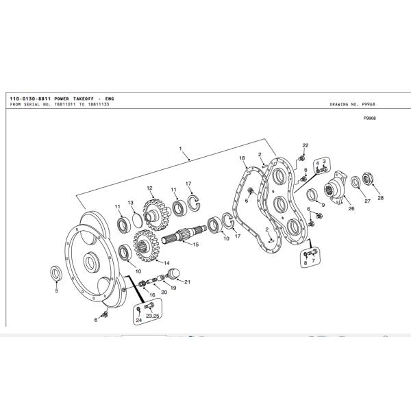
110-0130-8811 POWER TAKEOFF - ENG
| FROM SERIAL NO. T8811011 TO T8811133 |
| SER.NO. SER.NO. NC REF QTY PART NO. DESCRIPTION FROM TO |
| 000 001 15252682 PTO ASSEMBLY 001 001 09060235 .HOUSING ASSY-MACHD 002 002 00784079 ..PIN 003 002 00454864 ..BOLT 004 002 00103320 ..LOCKWASHER 005 001 09004541 .SEAL 006 004 00444637 .PLUG (0.75IN) 007 017 00179826 .BOLT 008 017 00103320 .LOCKWASHER 009 001 09004540 .SEAL 010 002 00954528 .BEARING 011 002 00907696 .BEARING 012 001 09274893 .GEAR-DRIVEN 013 001 00444692 .PLUG 014 001 09195847 .GEAR-DRIVE 015 001 15252439 .SHAFT-DRIVE PTO 016 001 00144218 .BUSHING 017 002 09414895 .RING-SNAP 018 001 09195842 .GASKET 019 001 00187396 .COUPLING 020 001 15247042 .BREATHER ASSY 021 001 06750967 .CAP-BREATHER 022 001 00444698 .PLUG 023 006 00179860 BOLT 024 010 00103328 LOCKWASHER 025 004 00433142 BOLT 026 001 15300856 YOKE-PTO 027 001 09071870 WASHER 028 001 09269703 NUT |
|