| Sign In | Join Free | My burrillandco.com |
|
| Ask Lasest Price | |
| Brand Name : | inntronic |
| Model Number : | PLASMA CLEAN-01 |
| Price : | Negotiable |
| Payment Terms : | L/C, T/T |
TIJ printer with plasma surface treatment Input current: 2.4A-3.1A
AC 220V TIJ Printer With Plasma Surface Treatment Input Current 2.4A - 3.1A
But the corona can only be carried out in two adjacent parallel electrodes, and the distance is not too big, so the corona treatment method is not suitable for the processing of 3D object surface polarization. If treated with flame method, the weakness of the polymer is that it is flammable and in low melting point. When the organic material in high flame point, due to high temperature, it may be in deformation, discoloration, with surface roughness, combustion and emit toxic gases. And the processing technique is quite difficult to master. The 3D object surface modification will be treated by low temperature plasma flow process, which is the best way. The principle is shown in Figure 1.1, and the two ends of the electrodes are applied AC high voltage and high frequency, to make the air between the two electrodes produce gas arc discharging and the form plasma. The Plasma in air blowing will be processed on the surface of the object for the modification of the 3D surface.
Air flow
electrode
High-frequency & high-voltage power supply
Plasma gas flow
workpiece
1. Plasma nozzle
2. Voltmeter
3. Ammeter
4. Pause button
5. Start button
6. Barometer
7. Alarm buzzer
8. Panel power switch
9. Gas pressure control knob
10. Plasma nozzle and cable
11. Air source input
12. Plasma output control
13. 220Vac power supply input
14. Enclosure ground
15. Oil & water separator
16. Cooling fan
2. Installation
2.1 Nozzle installation
2.1.1 Install the nozzle on the mechanical arm or an appropriate position; fix properly, to keep the high-voltage cables, ground cable and gas tubes on the nozzle away from strong pulls, frictions, scrapes and piercing.
2.1.2 Adjust the distance between the nozzle and workpiece to be processed to 3.5mm~8mm .
2.1.3 The purple flame on the nozzle is a high voltage arc, do not touch by hand to avoid electric shock. The yellow or light yellow flame area is the safe area.
2.1.4 The people who are not the after-sales staff or professional technicians shall not randomly change or replace the nozzle.
2.2 The installation of main machine
2.2.1 When it is in the operation, the main machine’s fan and exhaust window shall not be obstructed by anything.
2.2.2 Place the main machine on a flat ground, and keep it well ventilated.
2.2.3 The 4 sides of the main machine shall not be close to a large area of iron, please keep them above 10cm away from the iron, otherwise it will lead to the increased power consumption and temperature rise due to eddy current effect;
2.2.4 The input air source shall be connected to “GAS” on the back, please use a dry air source to guarantee a good treatment quality and a long service life for the nozzle.
2.3 AC220V power supply connection
2.3.1 Please use the cables attached for the machine, or choose the cables with the sizes over 1.5mm^2, connect the AC220V power supply to the power input of the machine. The connection has no polarity, but it shall not be mistaken as the ground.
2.3.2 The power plug of the main machine shall be reliably grounded, or the enclosure of the main machine shall be reliably grounded, each time before you start the operation, you shall check whether it is well grounded. The machine is high-voltage equipment; if it is not reliably grounded, do not turn on the power supply to start randomly, as there will be an electric shock!
2.3.3 The screws on the connection platform shall be tightened firmly, otherwise it will work intermittently or the platform will be burnt by overheat.
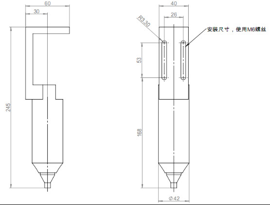
2.4 Nozzle dimensions
4. Operation guide
1. Connect the dry air source to “GAS IN” end.
2. Adjust “gas pressure knob”, to make the reading of “barometer” to 0.1Mpa (1.0KG), attention: too high pressure or too low pressure will lead to low treatment quality.
3. Toggle “220Vac breaker” up to “ON”, check whether the cooling fan works normally, and check whether there is any reading on the voltmeter and the ammeter.
4. Press “start button”, the nozzle will start and the machine will be in the operation.
5. When it is in the normal operation, the reading on the voltmeter and the ammeter on the panel will be stable, the fluctuations within ±3V and ±0.05A are normal.
6. When it stops, press “stop button”, and then toggle “AC220V power supply switch” down to “OFF”.
7. When you use “plasma output control”, please use the mechanical controller switch, or the electrical controller switch. When you use the electrical controller switch, you shall use the relay (and the similar electrical insulation) electrical switch.
5. Main technical parameters
1. Input voltage: AC220V (±20%)
2. Input voltage fluctuation range: ±3V
3. Input current: 2.4A-3.1A
4. Capacity: 600-1000 VA
5. Treatment width: 10mm
6. Frequency: 25-30kHz
7. Air source pressure: 0.10Mpa~0.20Mpa (1.0Kg/cm²~2.0Kg/cm²)
8. Main machine dimensions: 560mm*253mm*460mm
9. Nozzle dimensions: MAX 245mm*40mm*60mm
10. Weight: 30kg
11. Relative humidity: <93% (No dew)
12. Storage environment temperature:-25℃~+55℃



|
| Company Info. |
| Innovation Electronic Co.,Ltd |
| View Contact Details |
| Product List |