| Sign In | Join Free | My burrillandco.com |
|
| Ask Lasest Price | |
| Brand Name : | SKYLINE |
| Model Number : | SL-SRS035 |
| Certification : | Calibration certificate |
| Price : | negoitable |
| Payment Terms : | T/T, Western Union, MoneyGram |
| Supply Ability : | 1 unit |
| Delivery Time : | 10 work days |
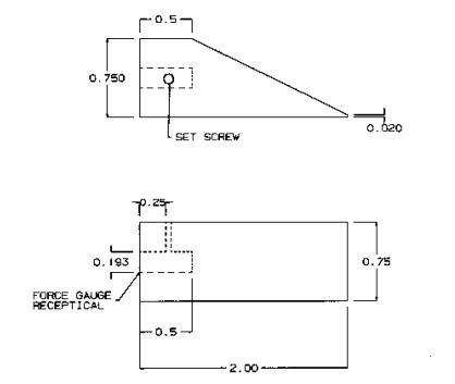
Stainless Steel Access Probe (Hasbro) as Per SRS035 Blister Sealing Testing
Description
To establish a procedure and to provide specification to ensure blisters on Hasbro In Products are properly sealesd to blister cards.
| Material | Alu.alloy |
| Size tolerances | +/-1mm |
| Angle tolerances | +/- 1degree |
Procedure
Inspect the product and detemine if any blister separation occurred as a result of transportation test.
Using a access proble apply a fore of three lbs paralled to the blister card of sperate blister from card on each die of blister
On a different sample,sperate the blister from the card by attached tension clamp to a corner of the blister and pulling perpendicular to the card surface.

|
| Company Info. |
| SKYLINE INSTRUMENTS CO.,LTD |
| Verified Supplier |
| View Contact Details |
| Product List |