IGBT Power Module DIM200PLM33-A019 IGBT Chopper Module FUJITSU IGBT Power Module
|
... conversion modules of famous brands Categories include: Darlington Schottky, rectifier intelligent, IGBT, IPM, GTR, DC-DC, AC-DC rectifier and power supply and other modules. Applications: power conditioning, frequency conversion equipment, motor speed,...
Mega Source Elec.Limited
|
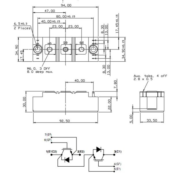
Durable Econo PIM™2 Igbt Chopper Module P25R12KT4 With Trench / Feldstopp IGBT4
|
IGBT power module Infineon Eupec FP75R12KT4 Servo drives • Auxiliary inverters Medical applications Potential Applications • Servo drives • Medical applications • ......
Hontai Machinery and equipment (HK) Co. ltd
|
403DMQ100 Igbt Chopper Module New And Original Stock
|
403DMQ100 NEW AND ORIGINAL STOCK [Who we are?] Founded in 1998, Shenzhen CM GROUP Electronic Technology Co., Ltd.is a professional electronic marketing corporation entirely engaged in the fields of semi-conductors and electronic components sale and service......
ChongMing Group (HK) Int'l Co., Ltd
|
Automotive IGBT Modules FD300R06KE3 62mm 600V 300A Chopper IGBT Silicon Module
|
|
Automotive IGBT Modules FD300R06KE3 62mm 600V 300A Chopper IGBT Silicon Module [MJD Advantage] + 15 years experience for electronic components + Secure Ordering + Excellent Feedback + Delivery Date Guaranteed + 100% ......
ShenZhen Mingjiada Electronics Co.,Ltd.
|
IRG4PC40UDPBF IGBT Power Module High Quality High Efficiency Low Loss Operation
|
...IGBT Power Module High Quality High Efficiency Low Loss Operation IRG4PC40UDPBF IGBT Power Module The IRG4PC40UDPBF IGBT power module from Infineon is a high voltage (HV) insulated gate bipolar transistor (IGBT) module. It is designed for high power applications, including motor control, welding, lighting and renewable energy systems. The module......
Shenzhen Sai Collie Technology Co., Ltd.
|
Ff300r17ke4 IGBT Power Module 300a 1700v High Voltage Igbt Power Supply Module
|
... Trench/Feld stopp IGBT 4und Emitter Controlled Diode 1 TechnischeInformation/TechnicalInformation FF300R17KE4 IGBT-Module IGBT-modules Insulated-gate bipolar transistors (IGBTs) are three-terminal power semiconductor devices primarily used as...
Shenzhen Retechip Electronics Co., Ltd
|
VS-GT90DA120U IGBT Transistor Module Single 1200V 169A 781W Chassis Mount SOT-227
|
... IGBT Module Trench Field Stop Single 1200 V 169 A 781 W Chassis Mount SOT-227 Vishay Semiconductors IGBT Power Modules Vishay Semiconductors IGBT Power Modules feature trench PT IGBT technology and are geared toward TIG welding machines. These IGBTs ......
HongKong Wei Ya Hua Electronic Technology Co.,Limited
|
6MBP50RA060-01 IGBT Power Module IPM-N Screw Connection Metal Material
|
6MBP50RA060-01 IGBT Power Module IPM-N 600V 50A Features · Temperature protection provided by directly detecting the junction temperature of the IGBTs · Low power loss and soft switching · High performance and high reliability IGBT with overheating ......
Shenzhen Koben Electronics Co., Ltd.
|
2MBI100N 060 Power Switching IGBT Power Module Low Saturation Voltage
|
...IGBT Power Module 2-PACK IGBT 600V 100A IGBT MODULE ( N series ) n n Features • Square RBSOA • Low Saturation Voltage • Less Total Power Dissipation • Improved FWD Characteristic • Minimized Internal Stray Inductance • Overcurrent Limiting Function ( ~3 Times Rated Current) n n Applications • High Power Switching • A.C. Motor Controls • D.C. Motor Controls • Uninterruptible Power Supply Description 1. IGBT......
DELI ELECTRONICS TECHNOLOGY CO.,LTD
|
STGW60V60F IGBT Power Module 600V 80A 375W TO247 IGBTs Single
|
STGW60V60F IGBT Power Module Transistors IGBTs Single STGW60V60F Specifications Part Status Active IGBT Type Trench Field Stop Voltage - Collector Emitter Breakdown (Max) 600V Current - Collector (Ic) (Max) 80A Current - Collector Pulsed (Icm) 240A Vce(on)......
KZ TECHNOLOGY (HONGKONG) LIMITED
|
